P.IVA: 02637650280  C.F.: GTTMRC68R06G224I

 

Servizio di sbroglio di circuiti stampati e produzione PCB

 

La G-Tronic Robotics offre il servizio di sbroglio del vostro schema elettrico a prezzi assolutamente concorrenziali, da 1 fino a 4 layer.

Il costo sarà calcolato in base alle ore necessarie per eseguire lo sbroglio che saranno riportate in fattura con la dicitura "progettazione circuito stampato progetto nome progetto"

Il circuito sbrogliato diventa di proprietà del cliente che ne acquisisce i file costruttivi gerber.

Non c'è differenza di offerta tra lo sbroglio di un circuito PTH e uno SMD.

Nell'immagine sotto vediamo un esempio di realizzazione SMD con dimensioni anche 0402. Si tratta di una Micro-GT 18 mini.

I PCB normalmente sono realizzati con piani di massa su entrambi i lati connessi al GND (salvo diversa indicazione del cliente). Il circuito a Microcontrollore PIC mostrato sopra  misura 50x50mm su supporto FR4 e due strati. Lo schema elettrico è visibile sul link Micro-GT community di questo sito.

Si realizzano anche circuiti ad alta densità ma in quel caso il costo va valutato di caso in caso e accettato dal cliente prima di iniziare il lavoro.

Sotto un esempio di circuito PTH.

A titolo di esempio, un circuito a due strati, della misura come sopra riportato ha un costo base di 100 euro a cui vanno sommate, se richiesto dal cliente, le spese per la produzione del primo lotto di stampati.

I costi previsti, per la produzione di circa 20 esemplari, della misura visibile nell'esempio, sono facilmente calcolabili sui siti web dei fabbricanti che attendono i file costruttivi gerber, ma per dare l'idea, l'impiego di mezzo metro quadrato, in tecnologia FR4 dual layer, (un così detto quadrotto) si aggira in circa 80€ spedizione compresa. Tale costo va verifica di volta in volta dato che non è prevedibile a priori in maniere assoluta.

Il cliente si farà carico dell'ordine, sotto la nostra guida, presso il sito del costruttore, il quale intesterà a lui i documenti fiscali necessari, con questo si intende che non vi è nessun ricarico da parte di G-Tronic Robotics, la quale emetterà fattura per la progettazione e lo sbroglio.

In conclusione, la realizzazione di circa 20 esemplari (novità 2013, prima non era possibile ottenere lotti così piccoli a costi così convenienti) è di circa 180€

Fermo restando i costi di sbroglio da riconoscere  G-Tronic Robotics, si potrà valutare con il cliente a che fornitore rivolgersi oppure semplicemente consegnare i files gerber affinchè possa farli produrre per proprio conto.

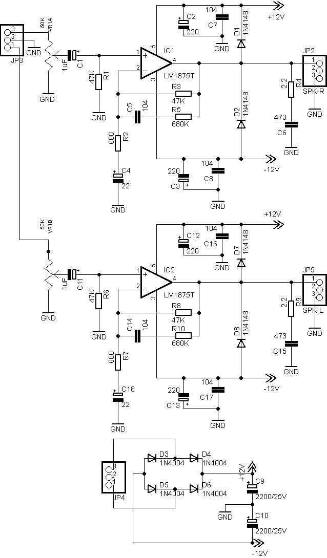
La complessità del circuito brogliato sopra è stimabile dallo schema in figura:

Il circuito realizzato è visibile nella foto sottostante.

E' possibile richiedere anche esemplari a singola faccia "home made" usando il FidoCAD, fermo restando i costi di sbroglio si possono abbattere i costi di produzione presso un'altra azienda produttrice di PCB.

Ecco un esempio di lavoro svolto in FidoCAD.

 

 

 

 

 

 

 

 

 

Scrivi all'ing. Marco Gottardo

ad.noctis@gmail.com